Cámaras de contacto ASI

 

En lugar de usar hasta 10 hilos por cada pulsador son necesarios solamente 2 hilos con conexión rápida para ir enlazando esclavo con esclavo en el bus ASI. Hasta un máximo de 62 pulsadores pueden enlazarse con un único cable de 2 hilos. El bus ASI permite ahorrar en mano de obra y tiempos de montaje, se eliminan fallos de cableado permitiendo fácilmente la ampliación de la instalación. Las cámaras de contactos ASI de Schlegel pueden conectarse en cualquier punto de la red ASI. Cada pulsador y piloto representa un único esclavo con su dirección individual dentro de la estructrura ASI.

 

Características de los esclavos ASI

 

  • Esclavo ASI certificado con  dos funciones de entrada y una salida para LEDs T5,5K  con función dimmer.
  • Cámaras de contacto del mismo tamaño que las cámaras tipo A. Uso fiable en entornos con perturbaciones EMC (p. ej.  Equipos de soldadura o proximidad a  variadores de frecuencia))
  • Perfil ASI  B.A.E (direccionamiento ampliado)
  • Max. 62 esclavos en un mismo ramal ASI
  • Puertos de entrada D2 y D3
  • Puertos de salida D0 y D1
  • La intensidad del indicador luminoso (LED) puede ajustarse en  4 niveles con las salidas DO y D1, obteniéndose distintas intensidades de iluminación
  • Salidas con protección Ante cortocorcuito y sobrecarga
  • Conexión con conector de 2 polos
  • Posibilidad de conectar selectors de 2 y 3 posiciones

 

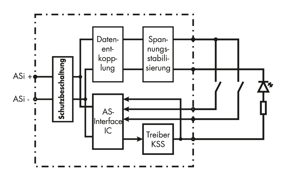
Diagrama de bloques

 

 

 

Bits de datos de entradas y salidas

 

General

 

Salidas
bit Info (Interface 3) estado
D0 0 LED off
1 LED on

D1

0 LED off
1 LED on
Entradas
bit Info (Interface 3) estado
D2 0 pulsador 1 no actuado
1 pulsador 1  actuado

D3

0 pulsador 2 no actuado
1 pulsador 2  actuado

 

 

 

 

 

 

Pulsador    
posicion no actuado actuado
bit    
D13 0 1
D12 0 1

 

 

 

 

 

 

Selectores de llave o maneta de 2 posiciones (1 émbolo)

 

2 Posiciones, 1 émbolo 0 - 1
posicion 0 1
bit    
D13 0 1
D12 0 1

 

 

 

 

 

Selectores de llave o maneta de 3 posiciones (2 émbolos)

3 Posiciones, 2 émbolos 1 - 0 - 2
posicion 1 0 2
bit      
D13 1 0 0
D12 0 0 1

 

 

 

 

 

 

Aclaración

 

Sobre selectores de llave o maneta de 3 posiciones con 2 émbolos: ya que la cámara de contactos ASI se puede insertar en el cuerpo del selector en dos posiciones desfasadas 90º una respecto a la otra  recomendamos el siguiente orden de montaje para evitar un cambio de las funciones del actuador y tener una ordenación correcta de los bits de entrada. (DI2, DI3):

 

  • Esclavo ASI boca arriba
  • Llave de giro boca arriba

 

 Control de la intensidad luminosa del  LED

 

El controld e la intensidad luminosa de los LEDs  (4 niveles de dimmer) pude realizarse a través de una llamada de los parámetros del maestro que cambia la tensión modulada en  PWM. De esta forma la corriente suministrada  acada salida se puede reducir en 4 niveles (para cada salida D0/D1 de forma individual) desde el 100% al 50%, 25% y hasta el  12,5% del valor nominal. Con el control del LED a través de las salidas D0 y D1 es posible conmutar entre dos niveles distintos de luminosodad. Esto se hace con la función „Write Parameter“.

 

Parametrosdel bus ASI para el control de la intensidad de los LED

 

P2 P1 P0  
1 1 1 Salida D0 continuo (por defecto)
1 0 1 Salida D0 50% (frecuencia PWM 125 Hz)
1 1 0 Salida D0 25% (frecuencia PWM125 Hz)
1 0 0 SalidaD0 12,5 % (frecuencia PWM 125 Hz)
0 1 1 Salida D1 continuo (por defecto
0 0 1 Salida D1 50% (frecuencia PWM 125 Hz)
0 1 0 SalidaD1 25% (frecuencia PWM125 Hz)
0 0 0 Salida D1 12,5% (frecuencia PWM 125 Hz)
0 0 A4 A3 A2 A1 A0 1 Sel P2 P1 P0 PB 1

 

 

Normas y estándares

 

El bus ASI o interface ASI se rige por la norma europea EN 50295 o bien por el estándar internacional IEC 62026-2.

 

Certificación y marcado
La fiabilidad e inmunidad de los esclavos Schlegel ha sido certificada por un laboratorio autorizado. Todos los productos así certificados incorporan el marcado de certificación ASI.

 

  • Especificación ASI, Versión 2.11, Revisión 1
  • CE
  • UL
  • CSA

 

 

 

Conexión de los esclavos

 

Los esclavos se conectan a través de un conector de 2 polos (paso 3,96mm)  con codificado para evitar  fallo por polaridad  incorrecta. La conexión se efectua de forma rápida por deplazamiento de aislante.

 

 

 

Especificación del cable

 

El cable de conexión debe cumplir los siguientes requisitos:

 

  • Códigode colores: Marrón: ASI+ /Azul: ASI-
  • Aislamiento: aislamiento con PVC,  adecuado para conexión por desplazamiento de aislante
  • Sección: AWG 18 (0,8...1,0 mm²)
  •  Ø exterior: min 1,0, max. 2,28mm
  • Rango de temperatura: -30°C <= T <= 90°C
  • Normas: VDE 0881 / MIL-W-1687 8D / UL 1007 o  1061 o  1095

 

Cable de conexión recomendado: Cable „ASI_SL2AWG18“

 

 

 

Conexión con prensa de conexión

 

Los cables individuales se conectan a la cámara de contactos con ayuda de una herramienta de presión “ASI_ MRT”  que realiza una conexión por desplazamiento de aislante. Recomendación:usando además la caperuza “ASI_K2” se obtiene una Buena Resistencia antitracción.

 

Aviso:  Se debe tener en cuenta la codificación de colores en la conexión; lleva asociada la polaridad  Marrón: ASI+ / Azul: ASI-

 

 

 

Conexión al cable rígido ASI

 

Como paso entre el cable de 2 hilos ASI  (AWG18) y el cable rígido existen distintas variantes .

 

Direccionamiento del esclavo

 

Cada esclavo ASI recibe una dirección individual con la que es reconocido por el maestro. El rango de direcciones es : 1ª - 31A y 1B - 31B (esclavos A/B, Version 2.1). La dirección 0 tine una propósito especial. En función de los medios empleados el direccionamiento se puede realizar antes o después del montaje.

 

Formas de direccionamiento

 

1. cable de direccionamiento y equipo de direccionamiento

 

El direccionamiento se realiza con un equipo portátil, en el que el esclavo se conecta con el cable  especial “ASI_PK500M12” directamente al equipo. La posición del equipo portátil en la estructura de bus ASI es independiente de la dirección a signar.

 

2. Direccionamiento por controladores de bus ASI de diversos fabricantes de autómatas. Se permiten las siguientes funciones:

 

  • Direccionamiento automático de todo el sistema
  • Direccionamiento individual a través del maestro correspondiente
  • Direccionamiento individual a través de software para PC

 

Aviso:

 

  • Evitar direccionamientos duplicados!
  • Esclavos A/B  (V2.1) puede que no usen el bit 4 de salida, ya que este se usa  para cambiar a los esclavos B.
  •  Esclavos A/B pueden ser controlados por maestros 2.0 teniendo en cuenta:
  • Se deben usar sólo direcciones A
  • El bit 4 de datos debe estar siempre a 0
  • El bit  4 de parámetros debe estar siempre a 1