AS-Interface Kontaktgeber

Statt bisher bis zu 10 Anschlussleitungen je Befehlsgerät müssen nur noch zwei Drähte in Schneidklemmtechnik montiert und von Slave zu Slave durchgeschleift werden. Bis zu 62 Befehlsgeräte können an ein einziges zweiadriges Kabel angeschlossen werden. Dies spart Arbeit, verkürzt Montagezeiten, reduziert Fehlermöglichkeiten und lässt sich bei Bedarf im Handumdrehen ändern und erweitern. Die Schlegel-Slaves können aufgrund der flexiblen AS-Interface- Vernetzungsstruktur an einer beliebigen Stelle angeschlossen werden. Jedes Befehls- und Meldegerät stellt einen einzelnen Teilnehmer mit individueller Adresse am AS-Interface dar.

Slave-Merkmale

  • Zertifizierter AS-Interface-Slave mit zwei Eingangsfunktionen, einem dimmbaren Ausgang für eine steckbare T5,5K-LED
  • Gleiche Baugröße wie Standard-Kontaktgeber der Typenreihe „A...“ - Störsicherer Einsatz in stark belasteter Umgebung (z.B. Schweissanlagen, Frequenzumrichter)
  • AS-Interface-Profil S-B.A.E (erweiterter Adressiermodus)
  • Bis max. 62 Slaves an einem AS-Interface-Strang anschließbar
  • Eingangsdatenport D2 und D3
  • Ausgangsdatenport D0 und D1
  • Der Leuchtmelder (LED) kann in 4 Stufen gedimmt und über die Ausgänge D0 und D1 zwischen zwei verschiedenen Helligkeitsstufen hin- und hergeschaltet werden
  • Ausgang mit Kurzschluss- und Überlastschutz
  • Einfacher Anschluss über 2-polige Steckbuchse
  • 2- und 3-stellige Wahl- und Schlüsselschalter möglich

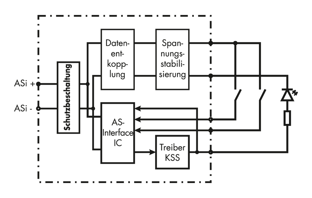
Blockschaltbild

 

Datenbits der Aus- und Eingänge

Allgemein

Ausgänge
Datenbit Info (Interface 3) Zustand
D0 0 LED aus
1 LED ein

D1

0 LED aus
1 LED ein
Eingänge
Datenbit Info (Interface 3) Zustand
D2 0 Schalter 1 nicht betätigt
1 Schalter 1 betätigt

D3

0 Schalter 2 nicht betätigt
1 Schalter 2 betätigt

 

 

 

 

 


Taster

Taster    
Schalterposition nicht betätigt betätigt
Datenbit    
D13 0 1
D12 0 1

 

 

 

 

 

Wahlschalter/Schlüsselschalter mit 2 Positionen (1 Stößel)

2 Positionen, 1 Stößel 0 - 1
Schalterposition 0 1
Datenbit    
D13 0 1
D12 0 1

 

 

 

 

 

Wahlschalter/Schlüsselschalter mit 3 Positionen (2 Stößel)

3 Positionen, 2 Stößel 1 - 0 - 2
Schalterposition 1 0 2
Datenbit      
D13 1 0 0
D12 0 0 1

 

 

 

 

 

Hinweis

Zu Positions- und Schlüsselschalter mit 2 getrennten Stößeln: Da der Betätiger und ASI-Slave um jeweils 90° verdreht miteinander verrastbar sind, wird für die eindeutige Zuordnung der Eingangs-Bits (DI2, DI3) folgende Referenzposition zugrunde gelegt:

  • ASI-Slave-Anschluss oben liegend
  • Verdrehungsnase oben liegend

 

Helligkeitssteuerung der LED

Zur Helligkeitssteuerung der LED (4-stufiges Dimmen) kann über einen Parameteraufruf des Masters das Tastverhältnis der pulsweitenmodulierten Spannung (PWM) verändert werden. Dabei wird der Ausgangsstrom (für jeden Ausgang D0/D1 individuell) in vier Stufen von 100% auf 50%, 25% bzw. 12,5% des Dauerstromes reduziert. Durch die individuelle Ansteuerung der LED über die Ausgänge D0 oder D1 ist es möglich, zwischen zwei verschiedenen Helligkeitsstufen hin- und herzuschalten. Dies wird über den „Write Parameter Aufruf“ realisiert.

AS-Interface Parameter zur Pulsweitenmodulation der LED

P2 P1 P0  
1 1 1 Ausgang D0 Dauerstrich (Default)
1 0 1 Ausgang D0 50% (PWM-Frequenz 125 Hz)
1 1 0 Ausgang D0 25% (PWM-Frequenz 125 Hz)
1 0 0 Ausgang D0 12,5 % (PWM-Frequenz 125 Hz)
0 1 1 Ausgang D1 Dauerstrich (Default)
0 0 1 Ausgang D1 50% (PWM-Frequenz 125 Hz)
0 1 0 Ausgang D1 25% (PWM-Frequenz 125 Hz)
0 0 0 Ausgang D1 12,5% (PWM-Frequenz 125 Hz)
0 0 A4 A3 A2 A1 A0 1 Sel P2 P1 P0 PB 1

 

Normen und Standards

AS-Interface, der Standard der unteren Feldebene, ist nach der europäischen Norm EN 50295 auch Welt-Standard nach IEC 62026-2.

Zertifizierung und Logo-Kennzeichen
Die zuverlässige Funktion und Störunempfindlichkeit der Schlegel- Slaves wurde von einem autorisierten Labor geprüft. Alle zertifizierten Produkte tragen das AS-Interface-Zertifizierungszeichen.

  • AS-Interface-Spezifikation, Version 2.11, Revision 1
  • CE
  • UL
  • CSA

 

Anschluss der Slaves

Die Slaves werden über eine 2-polige verpolungssichere Steckbuchse (3,96mm) mit Rastklinke und Zugentlastung an die Schaltlitze in Schneidklemmtechnik angeschlossen.

 

Kabelanforderungen

Das Anschlusskabel muss den folgenden Anforderungen entsprechen:

  • Farbkennzeichnung: Braun: ASI+ / Blau: ASI-
  • Isolation: halbharte PVC-Isolation, geeignet für Schneidklemmtechnik
  • Einzelleiterquerschnitt: AWG 18 (0,8...1,0 mm²)
  • Aussen Ø: min 1,0, max. 2,28mm
  • Betriebstemperatur: -30°C <= T <= 90°C
  • Approbationen: VDE 0881 / MIL-W-1687 8D / UL 1007 oder 1061 oder 1095

Empfohlenes Anschlusskabel: Schaltlitze „ASI_SL2AWG18“

 

Anschluss mit Einpresswerkzeug

Die Einzeladern werden mit Hilfe des Einpresswerkzeuges “ASI_ MRT” an die Steckbuchse in Schneidklemmtechnik eingepresst. Empfehlung: in Verbindung mit der Kappe “ASI_K2” erhält man an der Steckbuchse eine optimale Zugentlastung !
Achtung: Beim Einpressen unbedingt auf Aderfarbe/Polung achten! Braun: ASI+ / Blau: ASI-

 

Anschluss an AS-Interface-Profilleitung

Als Übergang von der 2-adrigen Schaltlitze (AWG18) auf die ASInterface- Profilleitung stehen je nach Anwendungsfall verschiedene Möglichkeiten zur Verfügung.

 

Adressierung der Slaves

Jeder AS-Interface-Slave bekommt eine individuelle Adresse, mit der er vom Master identifiziert wird. Sie liegt im Bereich von 1A bis 31A und 1B bis 31B (A/B-Slaves, Version 2.1). Die Adresse 0 hat dabei eine Sonderfunktion.
Je nach verwendeter Technik erfolgt die Adressierung vor oder nach der Montage.

Adressierungsarten

1. Adressierkabel + Adressiergerät
Die Vergabe der Adressen erfolgt am einfachsten mit dem Hand- Adressiergerät, indem der Slave über das Schlegel-Adressierkabel “ASI_PK500M12” direkt am Adressiergerät angeschlossen wird. Die Reihenfolge der Geräte am AS-Interface-Kabel ist unabhängig von der Adressvergabe.

2. Adressierung mit AS-Interface-Controller / SPS-Steuerung Verschiedene Hersteller von Controllern/SPS-Steuerungen unterstützen zusätzlich folgende Adressiermöglichkeiten:

  • automatische Adressierung des Gesamtsystems
  • Einzeladressierung über den angeschlossenen Master
  • Einzeladressierung über den PC per Software

Hinweise:

  • Doppeladressierungen vermeiden!
  • A/B-Slaves (V2.1) können das 4. Ausgangsdatenbit nicht nutzen, da es zur Umschaltung auf B-Slaves verwendet wird.
  • A/B-Slaves können an AS-Interface-2.0-Mastern betrieben werden, wenn folgendes beachtet wird:
    • es werden nur “A”-Adressen verwendet
    • das 4. Datenbit muss dauerhaft “0” sein
    • das 4. Parameterbit muss “1” sein