AS-Interface触点单元(从站)

每一从站原需多达十条导线,而ASi 只需导线两根, 其连接是以高绝缘刺穿 (IDC 技术) 和通过循环分配给所有指定从站。 一根双芯电缆能连接多达62只控制单元。节省大量工序, 减少安装时间,同时也减低可能潜在的错误,并在需要情况下,容易地变更或扩展。因 AS-Interface 网络结构的灵活性,时力高的从站触点单元可连接到任何位置。在 AS-Interface 系統中每一个控制单元和信号指令代表着一单独节点及包括个别地址。

从站特点

  • 已认证的 AS-Interface 从站带两个输入和一个可调光输出功能,适合插拔式LED 灯泡,T5,5K 插座
  • 触点块与标准 〝A...〞型系列尺寸大小相同
  • 故障安全运行,即使应用于极端环境条件下 (例如;焊接设备,变频器等)
  • AS-Interface 从站行规 S-B.A.E (扩展地址模式)
  • 每条 AS-Interface 电缆可连接多至62个从站
  • 输入数据接口 D2 和 D3
  • 输出数据接口 D0 和 D1
  • LED可分4级调其亮度,之间的两光亮度可通过 D0 和 D1输出去切换
  • 输出带短路和过载保护
  • 连接容易,通过二极 IDC 连接器
  • 2-档位和3-档位选择器和钥匙开关适用

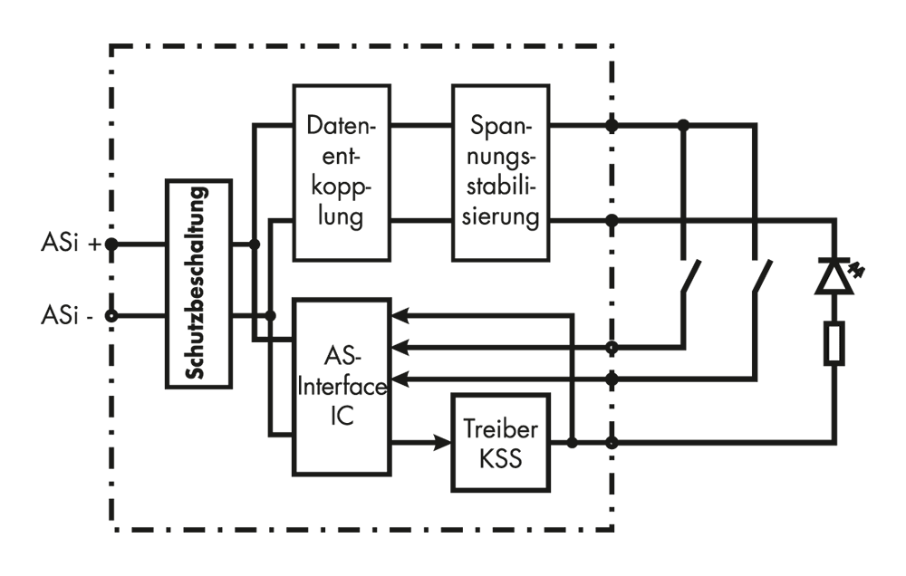
方框线图

 

输出和输入数据位

一般

输出
数据位 信息 (接口 3) 状态
D0 0 LED 关
1 LED 开

D1

0 LED 关
1 LED 开
输入
数据位 信息 (接口 3) 状态
D2 0 开关 1 未激活
1 开关 1 已激活

D3

0 开关 2 未激活
1 开关 2 已激活

 

 

 

 

 


按钮

按钮    
开关档位 未激活 已激活
数据位    
D13 0 1
D12 0 1

 

 

 

 

 

2-档位选择器/锁匙开关 (1支顶杆)

2-档位, 1支顶杆 0 - 1
开关档位 0 1
数据位    
D13 0 1
D12 0 1

 

 

 

 

 

3-档位选择器/钥匙开关 (2支顶杆)

3-档位, 2支顶杆 1 - 0 - 2
开关档位 1 0 2
数据位      
D13 1 0 0
D12 0 0 1

 

 

 

 

 

注意

在使用2-档位选择器或钥匙开关时:执行器及ASI从站可以以90°度角转动劈啪扣紧在一起,以下基本位置必需留意并清晰地分配其输入数据位 (DI2, DI3):

  • ASI 从站连接需向上
  • 接线端向上

AS-Interface 接口参数为LED的脉冲宽度调制
P2 P1 P0
1 1 1 输出 D0 连续波 (设定值)
1 0 1 输出 D0 50% (PWM 频率为 125 Hz)
1 1 0 输出 D0 25% (PWM 频率为 125 Hz)
1 0 0 输出 D0 12.5% (PWM 频率为 125 Hz)
0 1 1 输出 D1 连续波 (设定值)
0 0 1 输出 D1 50% (PWM 频率为 125 Hz)
0 1 0 输出 D1 25% (PWM 频率为 125 Hz)
0 0 0 输出 D1 12.5% (PWM 频率为 125 Hz)

LED 亮度调控

控制LED光亮度 (分4-级调光) 脉冲工因之脉冲宽度调制电压 (PWM) 是通过主站参数要求去调节。输出电流分4级递减 (每一输出分別为 D0/D1),连续电流即从100%至50%,25%或12.5%。 由于每只LED光亮度是经由输出端 D0 或 D1,所以其两级光度可以通过拨动切换。这是通过〝参数编写要求〞来设定的。

AS-Interface 接口参数办LED的脉冲宽度调制

P2 P1 P0  
1 1 1 输出 D0 连续波 (设定值)
1 0 1 输出 D0 50% (PWM 频率为  125 Hz)
1 1 0 输出 D0 25% (PWM 频率为  125 Hz)
1 0 0 输出 D0 12,5 % (PWM 频率为  125 Hz)
0 1 1 输出 D1 连续波 (设定值)
0 0 1 输出 D1 50% (PWM 频率为  125 Hz)
0 1 0 输出 D1 25% (PWM  频率为  125 Hz)
0 0 0 输出 D1 12.5% (PWM 频率为  125 Hz)
0 0 A4 A3 A2 A1 A0 1 Sel P2 P1 P0 PB 1

 

规范与标准

AS-Interface 接口是下层现场标准,符合欧洲规范 EN 50295 及国际标准 IEC 62026-2。

认证和 AS-Interface 标识
所有时力高的从站经由授权之实验室测试,功能确保达绝对可靠和带失效保护。所有认证产品都印有 AS-Interface 认证标识。

  • AS-Interface 规格,版本2.11,修订版1
  • CE 认证
  • UL 认证
  • CSA 认证


从站连接

从站连接通过一条双芯软电缆 (绝缘穿剌) ,反极性保护连接器 (3.96mm) 带锁紧结构及防过度拉力保护 (参考相关配件)。

 

电缆要求

连接电缆必须符合以下要求:

  • 颜色编码:棕色:ASI+ / 蓝色:ASI-
  • 绝缘:中等硬质PVC绝缘,适用于绝缘穿刺 (IDC 技术)
  • 单导体尺寸:AWG 18 (0.8...1.0 mm²)
  • 外径 Ø:最小 1.0, 最大 2.28mm
  • 工作温度:-30°C <= T <= 90°C
  • 认可:VDE 0881 / MIL-W-1687 8D / UL 1007 or 1061 or 1095

推荐连接电缆:设备用软式电线,型号〝ASI_SL2AWG18〞

 

使用压接工具连接

工具型号 “ASI_ MRT” 用作挤压单导体往 IDC 连接器。建议:同时使用一种盖子,型号 “ASI_K2” 令 IDC 连接器达消除过度拉力,效果更佳!
注意:应用前需分辨导线颜色/挤压导体前留意极性!
棕色:ASI+
蓝色:ASI-




连接到 AS-Interface 行规排列

取决于应用情况,一条双芯软电线 (AWG18) 有多种可行性连接 AS-Interface 行规排列 (请参考相关配件)。

 

从站编址

每个 AS-Interface 从站带有一个别地址,允许主站去识别它。可行地址是从 1A 至 31A 及 1B 至 31B (从站 A/B ,2.1版本)。地址 0 具特殊功能。取决于所使用的技术, 从站编址可于组装前或之后处理。

可行编址

1. 编址电缆 + 编址装置
简便分配地址方法是使用一种手持编址装置,然后通过时力高电缆,型号"ASI_PK500M12" 连接到从站。地址分配是通过 AS-Interface 电缆仪器独立地去分配的。

2. 与 AS-Interface 控制器 / PLC 编址
多个生产商的控制器 / PLC 支援以下编址可行性:

  • 自动化完整编址系统
  • 连接主站后可个别地编址
  • 通过电脑软件处理,实现个别编址

注意:

  • 避免重复编址!
  • 从站 A/B (V2.1) 不可用作第4输出数据位,因它是用作切换至从站 B。
  • 从站 A/B 可以与主站 AS-Interface 2.0 运作,但必需严格遵守以下要点:
    -> 只可使用 "A" 地址
    -> 第4数据位必需永久是 "0"
    -> 第4参数位必需是 "1"